桂林市邁特光學儀器有限公司
Guilin Microtech Optical Instrument Co., Ltd. (MTO)
中文丨ENGLISH
產品搜索
請選擇產品類別
請選擇具體產品
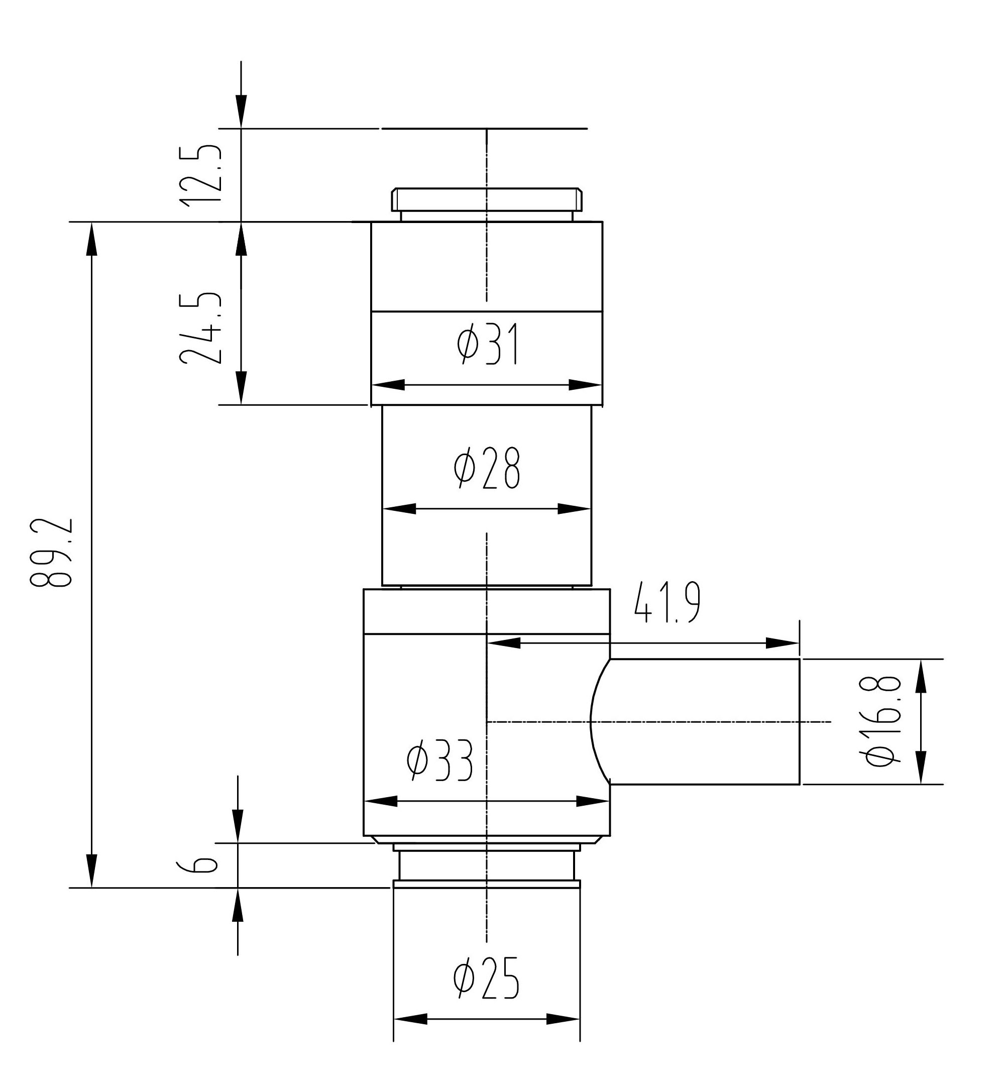
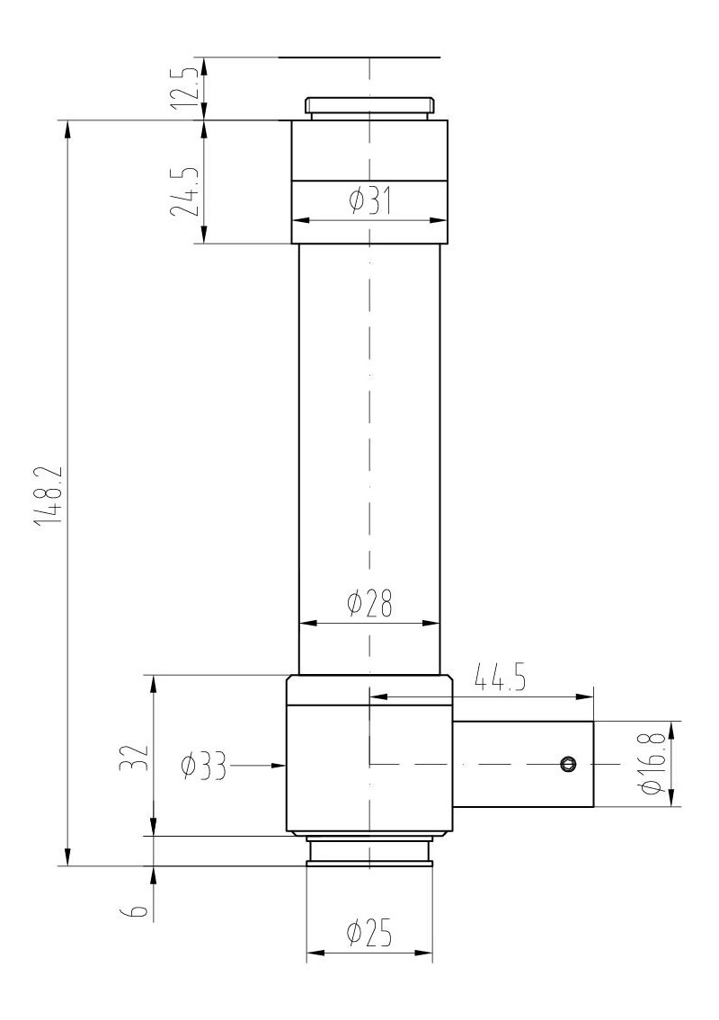
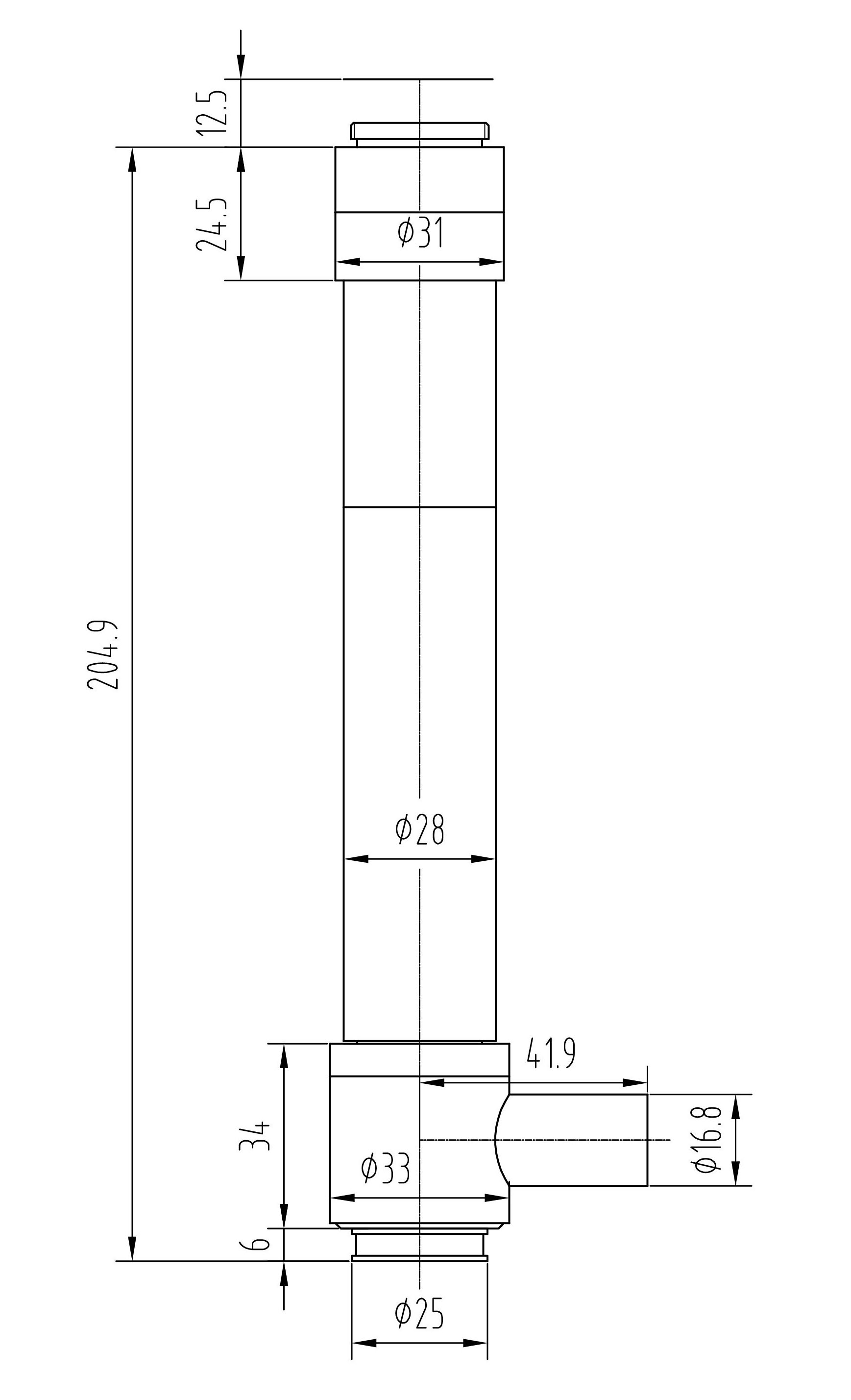
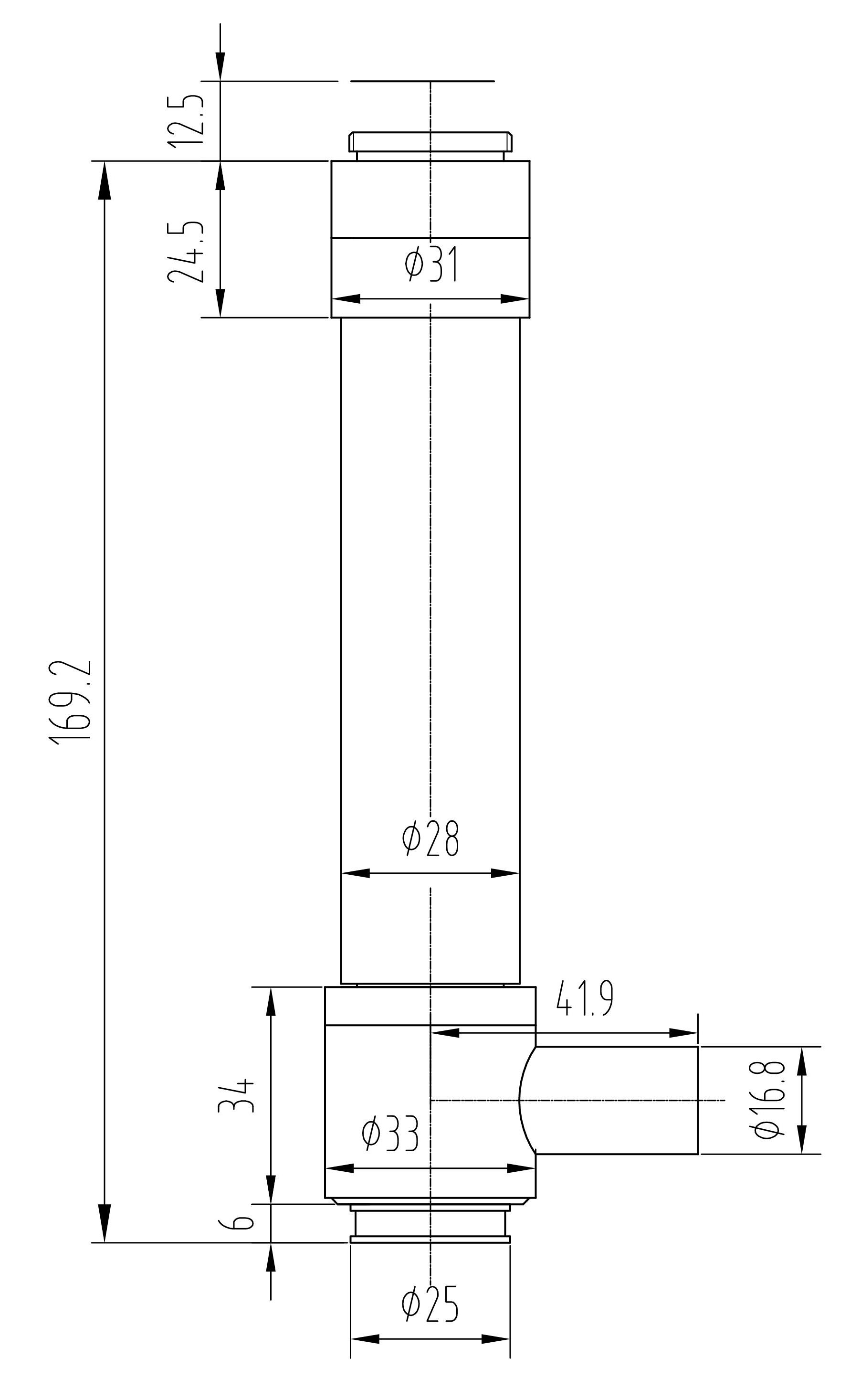
點擊查看參數詳情
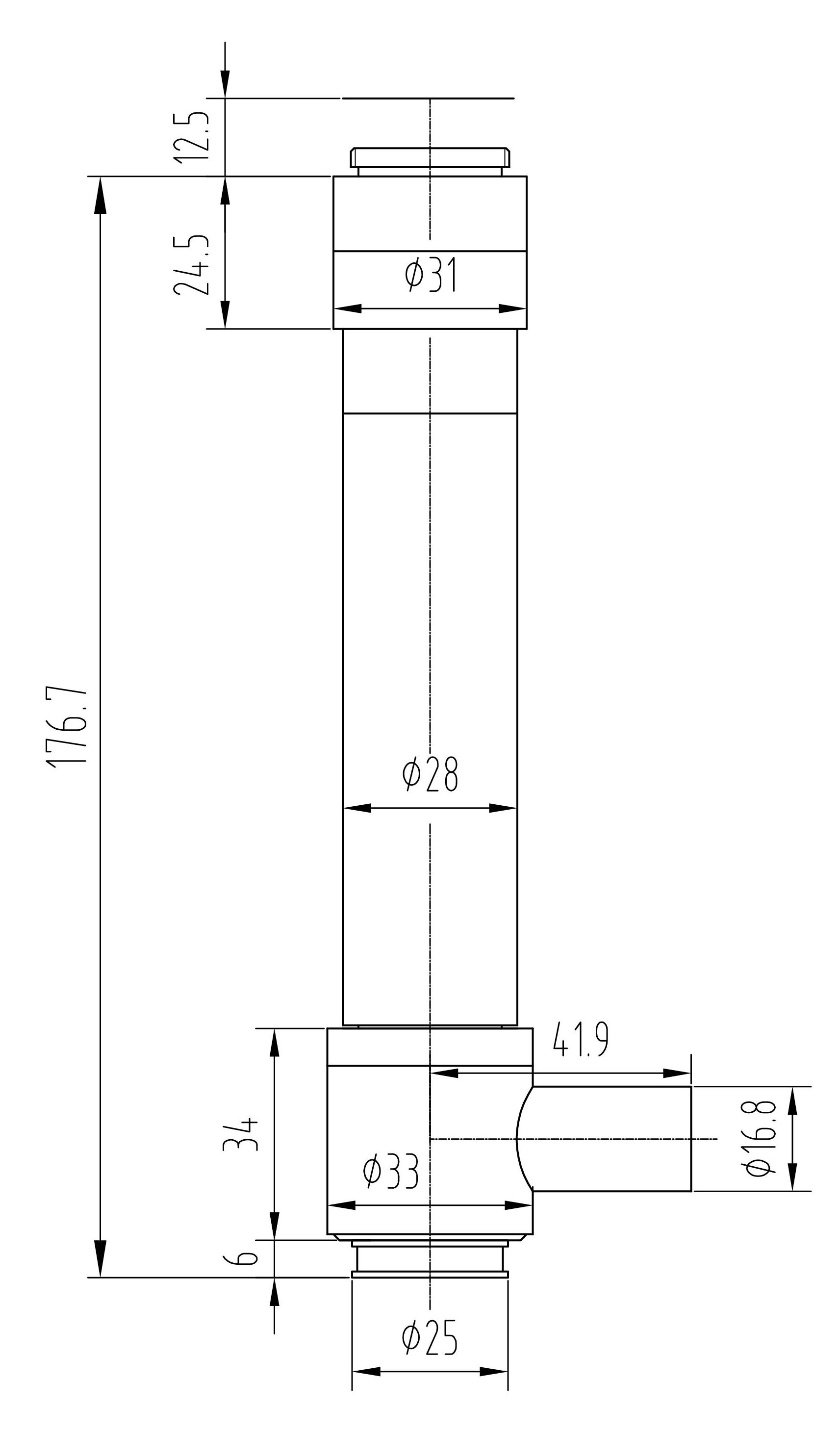
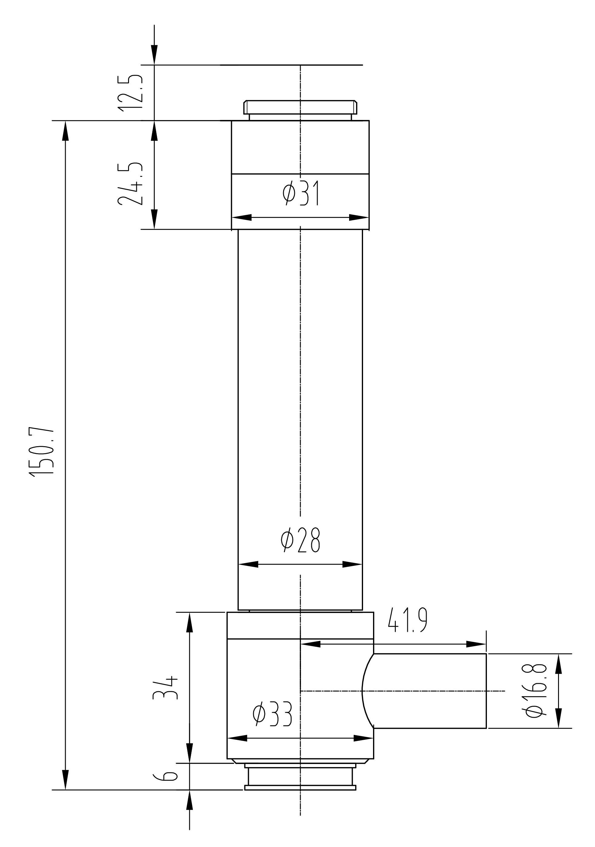
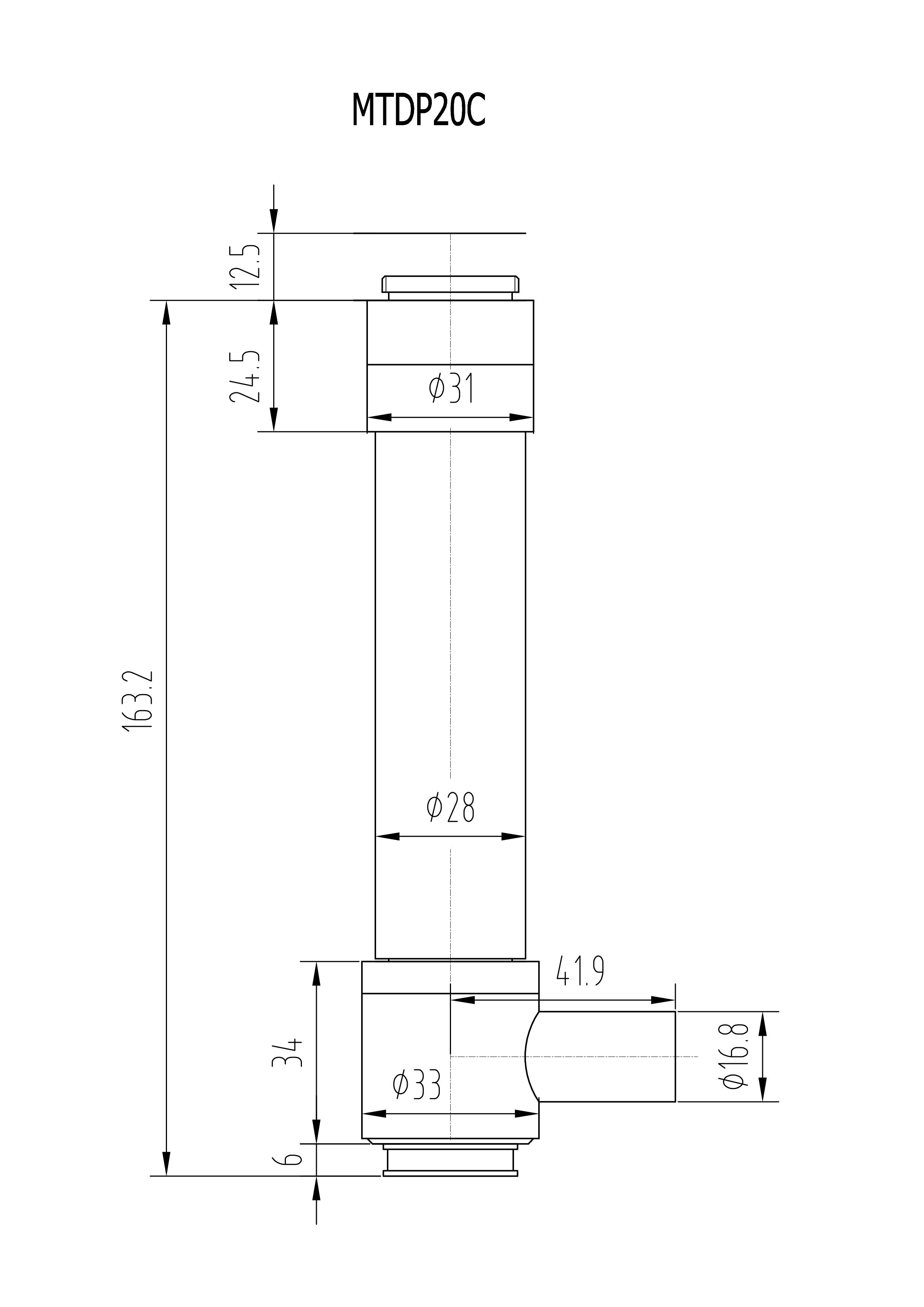
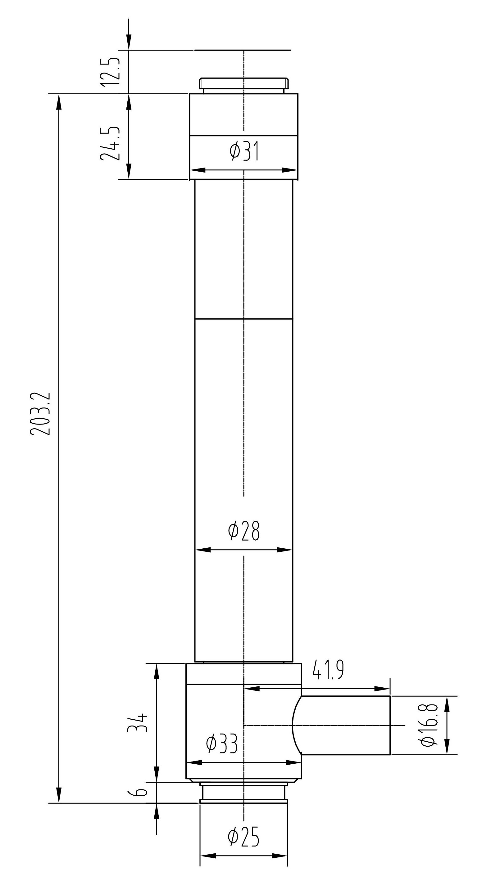
部分機型展示:
表1:配1X前組物鏡時的參數(工作距離:82mm)
鏡頭型號
物鏡倍數
總放大倍
視場(mm)
1/3"、9"
1/3"、17"
MTDP07
0.7X
28X
42X
6.9X5.1
MTDP07C
MTDP10
1.0X
40X
60X
4.8X3.6
MTDP10C
MTDP20
2.0X
80X
120X
2.4X1.8
MTDP20C
MTDP30
3.0X
180X
1.6X1.2
MTDP30C
MTDP40
4.0X
160X
240X
1.2X0.9
MTDP40C
MTDP50
5.0X
200X
300X
0.96X0.72
MTDP50C
MTDP60
6.0X
360X
0.8X0.6
MTDP60C
MTDP80
8.0X
320X
480X
0.60X0.45
MTDP80C
表2:使用不同前組物鏡時的參數
前組物鏡
項目
MTDP10 MTDP10C
MTDP07 MTDP07C
MTDP20 MTDP20C
MTDP30 MTDP30C
MTDP40 MTDP40C
MTDP50 MTDP50C
MTDP60 MTDP60C
MTDP80 MTDP80C
1X
光學放大倍率
景深(μm)
412.4
589.1
206.2
137.5
103.1
82.5
68.7
51.5
0.3X
0.21X
0.6X
0.9X
1.2X
1.5X
1.8X
2.4X
4597.7
6568.1
2298.9
459.8
1149.4
919.5
766.3
574.7
0.5X
0.35X
2.5X
1666.7
2381.0
833.3
555.6
416.7
333.3
277.8
208.3
0.75X
2.3X
3.8X
4.5X
740.7
1111.1
370.4
241.5
185.2
146.2
123.5
92.6
1.1X
7.5X
9.0X
12.0X
190.5
259.7
95.2
63.5
47.6
38.1
31.7
23.8
2X
1.4X
10.0X
16.0X
105.3
150.4
52.6
35.1
26.3
21.1
17.5
13.2
5X
3.5X
10X
15X
20X
25X
30X
16.7
8.3
5.6
4.2
3.3
2.8
2.1
表3:使用不同前組物鏡時的參數
工作距離(mm)
82
293
175
117
54
35
10.1
分辨率(μm)
3.5
11.6
7
4.7
2.4
1.8
0.7
NA
0.097
0.029
0.048
0.072
0.14
0.19
0.48
公司簡介
企業文化
榮譽認證
總裁致辭
新產品
單筒
多功能連續變倍視頻顯微一體機
體視
MTV機器視覺系列
光源
附件匯總
其它產品
定制鏡頭
體視顯微鏡
單筒視頻顯微系統
微電子精密成像
自動化設備
工業相機、智能機器人
生物、醫療
教育、科研
環保、材料、公安刑偵
新聞信息
招賢納士
下載資料
0773-5823609/5812510/2673200
http://m.gzjt28.cn
桂林市高新區信息產業園D-3號
[手機官方網站]
[邁特官方微信]
聯系我們丨在線地圖